在能源转型加速推进的今天,无论是工商业园区的成本管控、光储充电站的持续运营,还是偏远矿区、海岛的稳定供电,亦或是应急抢险的即时电力保障,“高效、安全、智能、便携"的储能解决方案已成为破解各类用电难题的核心关键。传统供电模式要么受电网覆盖限制、要么存在运维繁琐、成本高昂等痛点,难以适配多元化户外及工商业用电场景的实际需求。安科瑞始终以技术创新为核心,聚焦用户真实用电诉求,推出的户外储能一体机,正是为解决各类复杂场景用电难题而生的一站式解决方案。
安科瑞 125kW/261kWh 液冷户外储能一体柜,是一款高度集成的工商业储能系统。系统采用模块化设计,集电池系统、储能变流器(PCS)、智能液冷温控、多级消防、电池管理系统(BMS)及 EMS 储能控制器于一体,支持并/离网运行。主要应用于工商业园区、光储充电站、通讯基站、离岛微网等场景,实现削峰填谷、需量管理、动态增容、备用电源等功能,有效帮助用户降低用电成本、提升供电可靠性。

产品功能
(1)智能能量管理:支持计划曲线(分时功率)、需量管理、动态扩容、备用电源、AI 动态优化等多种运行模式,实现电能的高效调度与经济运行。
(2)并/离网切换:在市电异常时可自动切换为离网模式,为关键负荷提供不间断电源保障。
(3)远程监控与运维:通过本地 EMS 储能控制器及储能运维云平台,实现系统状态的实时监控、数据分析、故障告警与远程升级。
(4)电网支撑:采用 125kW 储能变流器,宽电压输入范围,具备电网电压调节、三相不平衡治理、谐波治理等功能,辅助改善本地电能质量。
(5)多机并联与集群管理:支持多台储能一体柜并联运行,实现功率与容量的灵活扩展及统一调度。
产品特点
(1)高集成,省空间:采用“A1l-in-0ne"一体化设计,占地面积小(约1.4㎡),安装部署便捷。模块化设计,维护升级便利,支持多机并联。
(2)智能液冷,长寿命:配置高效液冷机组与智能温控策略,确保电芯温差≤3℃,系统循环寿命相比传统风冷提升 20%以上。
(3)全栈安全:构建“电芯-模组-簇-系统"多级电气保护,并集成“探测(感温、感烟)+抑制(全氟己酮)+泄爆+气体消防+水消防"的立体消防体系。
(4)智慧管理:内置高性能 EMS 控制器,实现本地智能调度管理与云边协同,支持手机 APP 运维,实时监测和管理系统的运行状况,管理高效透明。
产品组成
本产品由以下核心部件高度集成于户外防护机柜内:

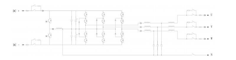
本系统采用高度集成的一体化设计,将电池簇、储能变流器(PCS)、电池管理系统(BMS)、储能控制器(EMS)、液冷热管理系统及多级消防系统整合于单台户外机柜内。其中5个标准液冷电池模组(1P52S,166.4V/314Ah)通过高压箱并联组成电池簇(1P260S,832V1314Ah),高压箱内置簇级BMS(BCU),负责电池簇级保护、状态监测及与 PCS/EMS 通信;PCS(125kW)实现直流侧与交流侧(400V 三相四线)的双句能量转换:EMS 储能控制器协调 PCS、BMS、消防、温控等子系统,执行能量管理策略:热管理系统负责电池模块的制冷、加热;消防系统负责整个柜体的消防状态检测以及火灾预防。

系统布局
储能系统分为电池舱和电气舱,双舱分离设计。电池舱位于柜顶,装有5组电池 PACK。电气舱位于柜底,装有液冷机组、储能变流器、高压箱、辅助用电和进线开关等。详细参照机柜系统布局图

系统技术参数


电池系统
本产品储能箱采用 0.5C/3.2V/314Ah 磷酸铁锂电池,具备安全可靠、系统效率高、循环寿命长等特点,单个电池簇容量为 261kWh,每簇由5个电池模组和1个高压盒组成,每个电池模组由 52 颗电芯通过串联构成。
电芯
本方案采用磷酸铁锂电芯。该电芯标称电压为 3.2V,单体容量为 314Ah,单体工作电压范围在 2.8~3.65V之间。电芯单月自放电率不超过 3%。该电池通过 GB/T36276 等国家强检测试,安全性能符合国家标准。
电池模组
电池模组内含由电芯组成的电池组,是整个系统的动力来源。电池模块采用标准化、模块化设计,便于安装和维护。电池模组技术参数如下表:

电池簇
整个电池簇由5个 166.4V314Ah 电池模组构成,该电池簇为261.248kWh。电池簇技术参数如下表:

配电与高压箱
配电与高压箱是本系统的能源管理与高压控制核心,集成于柜内独立单元。它具备双重核心功能:一是进行交流配电,为变流器(PCS)、液冷机组及控制系统提供安全可靠的供电:二是作为高压控制中心,负责电池簇的上下电管理、实时采集电压、电流、温度等信息,并集成完备的短路、过流等保护机制,确保高压回路安全。
该单元采用高度集成设计,内部包含如继电器,断路器,熔断器等保护器件及内置的电池簇控制单元(BCU)。通过标准接口与PCS、EMS 进行智能联动,是保障系统稳定、高效、安全运行的关键节点。高压箱技术参数如下表:


电池管理系统
BMS 二级架构,BCU(柜级)和BMU(PACK级)。储能电池管理系统 BMS是电池系统的核心组成部分,主要通过对电池的采集处理提高电池利用率,保证电池使用安全。液冷冷柜采用 BMU 从控和 BCU 主控两级,BMU 从控通过对各单体电池的电压和温度进行精确采集,实现对电池状态的实时监控:BCU 主控通过与 BMU 从控菊花链通讯实现对电池单体电压、温度等的检测,并检测电池组总电压、充放电流、对地绝缘电阻等外特性参数、按照适当的算法对蓄电池内部状态(容量、SOC、SOH)等进行估算和监控,在此基础上实现了对蓄电池组的充放电管理、热管理、单体均衡管理和故障报警,还可以通过总线与 PCS、EMS 等实现信息交瓦。
储能变流器
储能变流器是电网和电池之间的转换装置,可对电池进行充放电。可以把来自于电池的直流电逆变为可并入电网的交流电,还可以把电网的交流电整流为可充入电池的直流电。双向储能变流器可用于并网模式或离网模式。

储能控制器
EMS 控制器搭载高性能工业级多核处理器,配备丰富的本地接口(包括多路以太网、RS485、CAN、DI/DO),可同时接入并管理 PCS、BMS、电表、消防、温湿度传感器等所有设备。实现储能柜设备的统一采集、存储、能量调度机联动保护。EMS 控制器可通过 4G/以太网与云端平台保持同步,支持远程监控、策略下发,确保系统安全、高效、经济运行。同时,EMS 控制器开放标准协议接口,可无缝接入第三方平台或站级调度系统。

热管理系统
热管理系统是保障电池安全、效能与寿命的核心子系统,本产品采用高效智能的液冷方案。该系统主要由液冷机组、循环管路、冷却液及电池模块内的液冷板构成,通过冷却液在密闭回路中的循环,精准调控每个电池单体的温度,确保电芯工作在合适温度区间。
消防系统
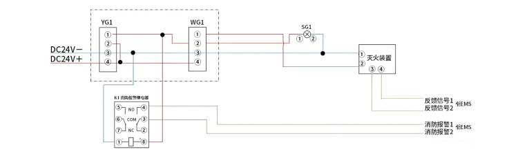
本系统集成一套“探测、预警、抑制、泄压"一体化的主动式多重消防系统,对电池舱和电气舱的火灾风险有较好的探测和抑制作用,遵循“早发现、早处置、防蔓延"的安全原则,为电池舱提供全面、多层级的安全防护,保障电池系统的安全稳定运行。
(1)PACK 级消防
全氟已酮灭火装置是目前较为常用的灭火设备,它通过喷射液态的全氟已酮来实现灭火的效果。全氟已酮是一种无色、无味、无毒的化学物质,具有良好的灭火性能。当防护区空间内火灾发生时,热敏线受到高温或者明火时会启动燃烧,从而来启动装置喷放灭火,在装置启动后,灭火装置内的产气药剂会发生氧化还原反应来瞬间产生大量的气体将膜片打开,全氟已酮灭火剂被喷出形成脉冲达到火场实施灭火。
(2)舱级消防
舱级灭火方案时对舱内进行复合探测(烟、温等),进而实现对电气舱早期热失控感知、智能**及提前抑消防系统包括舱级探测、消防控制器、声光报警器、气体灭火装置等部件。
